Освободите кучу времени, которое Вы тратили на ежедневное мытье посуды, благодаря встраиваемой посудомоечной машине Hansa ZIM 626EH. При помощи рассматриваемого устройства Вы сможете отмыть от остатков пищи и разнообразных загрязнений любую кухонную утварь, от массивных чугунных сковородок до хрупких стеклянных бокалов. Компактные габариты прибора позволяют разместить его в большинстве существующих моделей кухонных гарнитуров. За один цикл своей работы данная техника способна отмыть до кристальной чистоты 14 стандартных комплектов посуды.
В зависимости от Ваших потребностей, степени загрязненности кухонной утвари и материала ее изготовления в Hansa ZIM 626EH предусмотрено 6 программ мойки. Получите чистую посуду к приходу домой после работы или утром после пробуждения от сна благодаря таймеру отсрочки запуска, активирующему выбранный режим в строго установленное время. Так как устройство работает практически бесшумно, испуская в процессе своего функционирования всего 47 дБ шума, о завершении программы мойки Вас проинформирует негромкий звуковой сигнал.
Встраиваемая посудомоечная машина Hansa ZIM626EH
Артикул:
DNR118118
Описание товара
Технические характеристики
Smart
Голосовой помощник
нет
Дополнительная информация
Гарантия продавца / производителя
12 мес.
Страна-производитель
Китай
Другие технические параметры
Тип
?
Text
встраиваемая посудомоечная машина
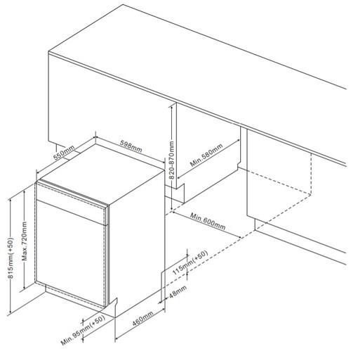
Высота
81.5 см
Ширина
59.8 см
Модель
Hansa ZIM626EH
Вес в упаковке
44 кг
Управление со смартфона
нет
Глубина
55 см
Минимальная температура
40 °C
Дисплей
есть
Максимальная температура
65 °C
Тип управления
кнопки
Дополнительная информация
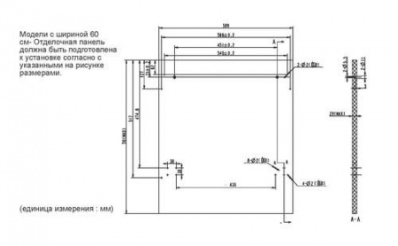
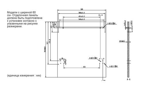
6 уровней регулировки жесткости воды, длина заливного шланга 1.5 м, длина сливного шланга 1.75 м,ионообменник (смягчение воды),регулируемые ножки, фасадная панель - 58.9x71x2 смещё
Напряжение питания
220-240 В / 50 Гц
Приложение для управления
нет
Тип сушки
конденсационная
Тип встраивания
полновстраиваемая
Уровень шума при работе
47 дБ
Цвет панели управления
черный
Блокировка от детей
нет
Класс энергопотребления
A++
Потребляемая мощность в спящем режиме
0.5 Вт
Мощность в выключенном режиме
0.5 Вт
Ширина упаковки
63 см
Высота упаковки
88 см
Глубина упаковки
63 см
Ширина встраивания
60 см
Глубина встраивания
58 см
Тип защиты от протечек
полная (корпус+шланг)
Максимальная потребляемая мощность
1930 Вт
Звуковой сигнал
есть
Максимальное время отсрочки запуска
24 ч
Энергопотребление за цикл
930 Вт*ч
Защита от протечек
есть
Отключение звукового сигнала
нет
Длина сетевого кабеля
1.5 м
Количество размещаемых комплектов
14
Количество корзин
3 шт
Расход воды за цикл
11 л
Инверторный мотор
нет
Сенсор чистоты воды
нет
Автоматическое определение жесткости воды
нет
Материал бака
нержавеющая сталь
Таймер отсрочки запуска
есть
Количество программ мойки
6
Автоматическая программа
нет
Стандартная программа
есть
Экспресс-программа (быстрый цикл)
есть
Минимальное время работы быстрой программы
30 мин
Экономичная программа
есть
Программа интенсивной мойки
есть
БИО-программа (использование био-добавок)
нет
Деликатная программа для хрупкой посуды
есть
Режим полоскания
нет
Режим половинной загрузки
есть
Режим предварительного ополаскивания (замачивания)
нет
Прочие программы и режимы
программа 90 минут
Автооткрывание дверцы
нет
Автодозировка моющего средства
нет
Корзина для столовых приборов
лоток (третья корзина)
Возможность подключения к горячей воде
нет
Использование средств "3 в 1"
есть
Регулируемая по высоте корзина для посуды
есть
Разбрызгиватель над верхней корзиной
есть
Освещение
нет
Особенности конструкции корзин
держатель для чашек, складные держатели посуды
Индикатор наличия соли
есть
Индикатор наличия ополаскивателя
есть
Луч на полу
нет
Класс мойки
A
Класс сушки
A
Вес посудомоечной машины
37.5 кг
Минимальная высота встраивания
82 см
Наличие фасадной панели
нет
Тип крепления фасадов
жесткое
Максимальная высота встраивания
87 см
Максимальная высота фасадной панели
72 см
Мин. высота цокольной декоративной панели
9.5 см
Макс. высота цокольной декоративной панели
14.5 см
#PROP_TITLE#
—
#PROP_VALUE#
